您好,歡迎光臨帝國科技!
產品分類
PRODUCT
PRODUCT
- 國產晶振
- 聲表面濾波器
- 石英晶體
- 石英晶振
- 貼片晶振
- 陶瓷晶振
- 陶瓷濾波器
- 陶瓷霧化片
- 進口晶振
- MERCURY晶振
- Fujicom晶振
- 日本大真空晶振
- 愛普生晶振
- 西鐵城晶振
- 精工晶振
- 村田陶瓷晶振
- 日本京瓷晶振
- 日本進口NDK晶體
- 大河晶振
- TXC晶振
- 亞陶晶振
- 臺灣泰藝晶體
- 臺灣鴻星晶體
- 美國CTS晶體
- 微孔霧化片
- 加高晶振
- 希華石英晶振
- AKER晶振
- NAKA晶振
- SMI晶振
- NJR晶振
- NKG晶振
- Sunny晶振
- 歐美晶振
- Abracon晶振
- ECS晶振
- Golledge晶振
- IDT晶振
- Jauch晶振
- Pletronics晶振
- Raltron晶振
- SiTime晶振
- Statek晶振
- Greenray晶振
- 康納溫菲爾德晶振
- Ecliptek晶振
- Rakon晶振
- Vectron晶振
- 微晶晶振
- AEK晶振
- AEL晶振
- Cardinal晶振
- Crystek晶振
- Euroquartz晶振
- FOX晶振
- Frequency晶振
- GEYER晶振
- KVG晶振
- ILSI晶振
- MMDCOMP晶振
- MtronPTI晶振
- QANTEK晶振
- QuartzCom晶振
- Quarztechnik晶振
- Suntsu晶振
- Transko晶振
- Wi2Wi晶振
- ACT晶振
- MTI晶振
- Lihom晶振
- Rubyquartz晶振
- Oscilent晶振
- SHINSUNG晶振
- ITTI晶振
- PDI晶振
- ARGO晶振
- IQD晶振
- Microchip晶振
- Silicon晶振
- Fortiming晶振
- CORE晶振
- NIPPON晶振
- NICKC晶振
- QVS晶振
- Bomar晶振
- Bliley晶振
- GED晶振
- FILTRONETICS晶振
- STD晶振
- Q-Tech晶振
- Anderson晶振
- Wenzel晶振
- NEL晶振
- EM晶振
- PETERMANN晶振
- FCD-Tech晶振
- HEC晶振
- FMI晶振
- Macrobizes晶振
- AXTAL晶振
帝國博客
更多>>- 規格型號:64344973
- 頻率:1.0~125.0MHZ
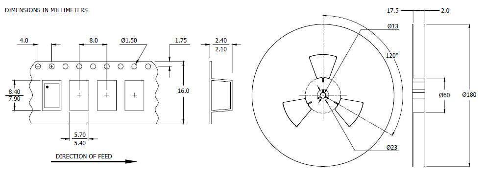
- 尺寸:7.0*5.0mm
- 產品描述:CTS電子多年來致力于研發創新,部分核心技術是業界的領先者,近年來陸續取得石英相關制造技術專利;未來將持續加強開發,以成為全球石英頻控元件領導者之目標邁進.
美國西迪斯晶振CB2V5,7050mm有源晶振,石英晶體振蕩器


美國西迪斯晶振CB2V5,7050mm有源晶振,石英晶體振蕩器,石英晶體振蕩器在設計時就與各款型號IC匹配等相關技術,使用IC與晶片設計匹配技術:是高頻振蕩器研發及生產過程必須要解決的技術難題.在設計過程中除了要考慮石英晶體諧振器具有的電性外,還有石英晶體振蕩器的電極設計等有它的特殊性,必須考慮振蕩器的供應電壓、起動電壓和產品上升時間、下降時間等相關參數.
貼片式石英晶體振蕩器,低電壓啟動功率,并且有多種電壓供選擇,比如有1.8V,2.5V,3.3V,3.8V,5V等,產品被廣泛應用于,平板筆記本,GPS系統,光纖通道,千兆以太網,串行ATA,串行連接SCSI,PCI-Express的SDH / SONET發射基站等領域.符合RoHS/無鉛.

| 晶振規格參數 | 型號CB2V5 |
| 頻率范圍 | 1.0 MHz to 125.0 MHz |
| 頻率公差25℃ | ±20 ppm, ±35 ppm, ±50 ppm |
| 頻率穩定度公差(工作溫度范圍,引用到25°C閱讀) |
±15 ppm, ±20 ppm, ±30 ppm, ±50 ppm, ±100 ppm |
| 工作溫度范圍 | -20°C to +70°C ,-40°C to +85°C |
| 電壓 | 2.5V |
| 負載電容 | 10pF, 12pF, 16pF, Series standard |
| 并聯電容 | 3.0 pF typical, 5.0 pF maximum |
| 激勵功率 | 10 μW typical, 100 μW maximum |
| 老化(﹢25℃) | ±5 ppm/yr maximum |
| 絕緣電阻(直流100 v) | 500M Ohms minimum |
| 儲存溫度 | -40°C to +100°C |
| 回流條件下,按JEDEC j - std - 020 | +260°C maximum, 10 Seconds maximum |





負載電容
如果振蕩電路中負載電容的不同,可能導致振蕩頻率與設計頻率之間產生偏差,如下圖所示.電路中的負載電容的近似表達式 CL≒CG × CD / (CG+CD) + CS.
其中CS表示電路的雜散電容.

頻率和負載電容特征圖器

振蕩回路參數設置參考



西迪斯晶體承諾所有的運作皆遵守本地國家的法律,并符合國際上所共同認知環保與社會責任的標準,成為一個創造股東最大權益、照顧員工、善盡社會責任的好公司.
我們將持續關注企業社會責任各項新議題,使本公司更加完整并落實企業社會責任所有面向. 對內,我們將透過各種教育訓練與活動,用心創造一個多元且充滿活力的工作環境 (例如健康促進活動); 對外,本公司透過與利害相關團體間的溝通,積極落實企業社會責任活動,持續投入社會公益,降低對社會環境之沖擊.

聯系人:譚蘭艾 手 機:86-13826527865
電 話:86-0755-27881119 QQ:921977998
E-mail:dgkjly@163.com
網 址:www.128vod.com
地 址:中國廣東省深圳市寶安區西鄉大道新湖路











業務經理