您好,歡迎光臨帝國科技!
產品分類
PRODUCT
PRODUCT
- 國產晶振
- 聲表面濾波器
- 石英晶體
- 石英晶振
- 貼片晶振
- 陶瓷晶振
- 陶瓷濾波器
- 陶瓷霧化片
- 進口晶振
- MERCURY晶振
- Fujicom晶振
- 日本大真空晶振
- 愛普生晶振
- 西鐵城晶振
- 精工晶振
- 村田陶瓷晶振
- 日本京瓷晶振
- 日本進口NDK晶體
- 大河晶振
- TXC晶振
- 亞陶晶振
- 臺灣泰藝晶體
- 臺灣鴻星晶體
- 美國CTS晶體
- 微孔霧化片
- 加高晶振
- 希華石英晶振
- AKER晶振
- NAKA晶振
- SMI晶振
- NJR晶振
- NKG晶振
- Sunny晶振
- 歐美晶振
- Abracon晶振
- ECS晶振
- Golledge晶振
- IDT晶振
- Jauch晶振
- Pletronics晶振
- Raltron晶振
- SiTime晶振
- Statek晶振
- Greenray晶振
- 康納溫菲爾德晶振
- Ecliptek晶振
- Rakon晶振
- Vectron晶振
- 微晶晶振
- AEK晶振
- AEL晶振
- Cardinal晶振
- Crystek晶振
- Euroquartz晶振
- FOX晶振
- Frequency晶振
- GEYER晶振
- KVG晶振
- ILSI晶振
- MMDCOMP晶振
- MtronPTI晶振
- QANTEK晶振
- QuartzCom晶振
- Quarztechnik晶振
- Suntsu晶振
- Transko晶振
- Wi2Wi晶振
- ACT晶振
- MTI晶振
- Lihom晶振
- Rubyquartz晶振
- Oscilent晶振
- SHINSUNG晶振
- ITTI晶振
- PDI晶振
- ARGO晶振
- IQD晶振
- Microchip晶振
- Silicon晶振
- Fortiming晶振
- CORE晶振
- NIPPON晶振
- NICKC晶振
- QVS晶振
- Bomar晶振
- Bliley晶振
- GED晶振
- FILTRONETICS晶振
- STD晶振
- Q-Tech晶振
- Anderson晶振
- Wenzel晶振
- NEL晶振
- EM晶振
- PETERMANN晶振
- FCD-Tech晶振
- HEC晶振
- FMI晶振
- Macrobizes晶振
- AXTAL晶振
帝國博客
更多>>- 規格型號:35819392
- 頻率:622.08M / 644.5313M 622.08M / 666.5143M 622.08M / 669.3266MHZ
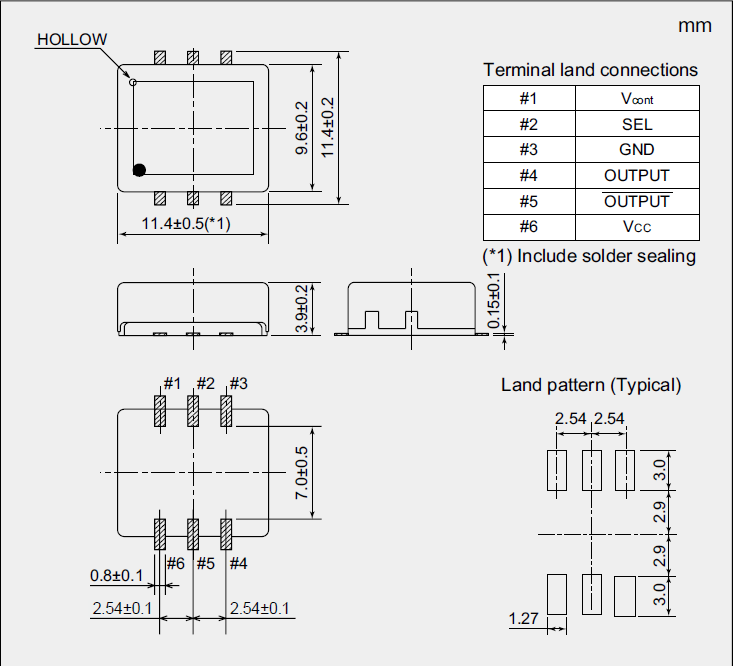
- 尺寸:11.4*9.6mm
- 產品描述:石英晶體振蕩器在設計時就與各款型號IC匹配等相關技術,使用IC與晶片設計匹配技術:是高頻振蕩器研發及生產過程必須要解決的技術難題。在設計過程中除了要考慮石英晶體諧振器具有的電性外,還有石英晶體振蕩器的電極設...
NDK晶振,有源晶振,NV11M09YA晶振,差分石英晶體振蕩器
.jpg)
NDK晶振,有源晶振,NV11M09YA晶振,差分石英晶體振蕩器NDK晶振集團所處于的事業環境是智能手機市場的擴大已在延緩,但伴隨著LTE的普及和要求比以往更高的GPS精度等帶來的搭載部件的構成的變化,使得TCXO(溫度補償晶體振蕩器)和SAW(彈性表面波)器件的需要在急速增加。由此,本集團將方針轉換至面向量產市場的產品的再強化上,把均衡縮減戰略切換成成長戰略。并且展開在進口晶振產業設備、車載、傳感器領域,利用高的品質力和技術力用實力強的產品創造出利益的中期銷售計劃。通過贏得客戶的高評價和高信賴來確保持續的成長和安定的收益,來努力達成銷售額500億日元企業的復活的目標。

| 晶振規格參數 | NV11M09YA |
| 額定頻率范圍 (MHz) | 622.08 / 644.5313, 622.08 / 666.5143, 622.08 / 669.3266 |
| 電源電壓 (V) | +1.8±5% +2.5±5% +3.3 ± 10 % |
| 負載阻抗 | 10 kΩ//10 pF |
| 工作溫度范圍(*2) / 儲存溫度范圍 (°C) | -10 to +75 / -55 to +125 |
| 消耗電流 (mA) | Max. 1.5 |
| 輸出電壓 | Min. 0.8 V(p-p) (DC Coupling (*3)) |
| 頻率溫度特性 | Max. ±2.5×10-6 |
| 電源電壓變動的頻率特性 | Max. ±0.3×10-6 / +3.0 V ±5 % |
| 負載變動的頻率特性 | Max. ±0.2×10-6/(10 kΩ//10 pF)±10% |
| 老化率 | Max. ±1.0 ×10-6/year |
| 頻率可變范圍 | ±9.0×10-6 to ±15.0×10-6 / +1.5±1 V (*4) |



.jpg)
9.2.自動安裝時的沖擊
自動安裝和真空化引發的沖擊會破壞產品特性并影響這些NDK晶振,貼片SMD晶振,NV11M09YA晶振,差分石英晶體振蕩器產品。請設置安裝條件以盡可能將沖擊降至最低,并確保在安裝前未對產品特性產生影響。條件改變時,請重新檢查安裝條件。同時,在安裝前后,請確保晶體產品未撞擊機器或其他電路板等。
9.3 石英晶振每個封裝類型的注意事項
(1)陶瓷包裝產品與SON產品
在焊接陶瓷封裝產品和SON產品 (MC-146) 之后,彎曲電路板會因機械應力而導致焊接部分剝落或封裝分裂(開裂)。尤其在焊接這些產品之后進行電路板切割時,務必確保在應力較小的位置布局晶體并采用應力更小的切割方法。

本集團會針對以下5個產品群,迅速對應市場的動向,強化NDK晶振,貼片晶振,NV11M09YA晶振,差分石英晶體振蕩器新產品的開發和市場的投入。① 產業用高附加價值產品
開發小型?高精度的OCXO(恒溫晶體振蕩器)、高頻振蕩器、超低相位噪聲振蕩器等的產業用高附加價值產品并擴大其銷售。
② 車載用高信賴產品
在ADAS(先進駕駛輔助系統)所使用的車載相機和倒車雷達、遠程信息處理等用途,晶體元器件的需求也呈現增加的趨勢。因此,我們會開發TCXO(溫度補償晶體振蕩器)、ICXO(鐘用晶體振蕩器)、SAW器件等的車載用高信賴性產品并擴大其銷售。
.jpg)
對我們的NDK晶振,有源晶振,NV11M09YA晶振,差分NDK石英晶體振蕩器產品進行檢驗,同時告知我們的員工顧客以及公眾,如何安全的使用,如何使用對環境影響較小,幫助我們的雇員合同方商業伙伴服務提供上理解他們的行為如何影響著環境。NDK晶振集團實施創新戰略,提高自主創新能力,確保公司可持續發展。實施節約戰略,提高建設節約環保型企業能力,確保實現節能環保規劃目標。

SHENZHEN DIGUO TECHONLOGY CO.,LTD
聯系人:譚蘭艾
手 機:86-13826527865
電 話:86-0755-27881119
Q Q:921977998
E-mail:dgkjly@163.com
網 址:www.128vod.com
地 址:中國廣東省深圳市寶安區西鄉大道新湖路
聯系人:譚蘭艾
手 機:86-13826527865
電 話:86-0755-27881119
Q Q:921977998
E-mail:dgkjly@163.com
網 址:www.128vod.com
地 址:中國廣東省深圳市寶安區西鄉大道新湖路







業務經理