您好,歡迎光臨帝國科技!
產品分類
PRODUCT
PRODUCT
- 國產晶振
- 聲表面濾波器
- 石英晶體
- 石英晶振
- 貼片晶振
- 陶瓷晶振
- 陶瓷濾波器
- 陶瓷霧化片
- 進口晶振
- MERCURY晶振
- Fujicom晶振
- 日本大真空晶振
- 愛普生晶振
- 西鐵城晶振
- 精工晶振
- 村田陶瓷晶振
- 日本京瓷晶振
- 日本進口NDK晶體
- 大河晶振
- TXC晶振
- 亞陶晶振
- 臺灣泰藝晶體
- 臺灣鴻星晶體
- 美國CTS晶體
- 微孔霧化片
- 加高晶振
- 希華石英晶振
- AKER晶振
- NAKA晶振
- SMI晶振
- NJR晶振
- NKG晶振
- Sunny晶振
- 歐美晶振
- Abracon晶振
- ECS晶振
- Golledge晶振
- IDT晶振
- Jauch晶振
- Pletronics晶振
- Raltron晶振
- SiTime晶振
- Statek晶振
- Greenray晶振
- 康納溫菲爾德晶振
- Ecliptek晶振
- Rakon晶振
- Vectron晶振
- 微晶晶振
- AEK晶振
- AEL晶振
- Cardinal晶振
- Crystek晶振
- Euroquartz晶振
- FOX晶振
- Frequency晶振
- GEYER晶振
- KVG晶振
- ILSI晶振
- MMDCOMP晶振
- MtronPTI晶振
- QANTEK晶振
- QuartzCom晶振
- Quarztechnik晶振
- Suntsu晶振
- Transko晶振
- Wi2Wi晶振
- ACT晶振
- MTI晶振
- Lihom晶振
- Rubyquartz晶振
- Oscilent晶振
- SHINSUNG晶振
- ITTI晶振
- PDI晶振
- ARGO晶振
- IQD晶振
- Microchip晶振
- Silicon晶振
- Fortiming晶振
- CORE晶振
- NIPPON晶振
- NICKC晶振
- QVS晶振
- Bomar晶振
- Bliley晶振
- GED晶振
- FILTRONETICS晶振
- STD晶振
- Q-Tech晶振
- Anderson晶振
- Wenzel晶振
- NEL晶振
- EM晶振
- PETERMANN晶振
- FCD-Tech晶振
- HEC晶振
- FMI晶振
- Macrobizes晶振
- AXTAL晶振
帝國博客
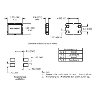
更多>>- 規格型號:39561362
- 頻率:6~100MHZ
- 尺寸:7.5*5.0mm
- 產品描述:MMDCOMP晶振,G晶振,GXXBB1-12.000MHZ-T晶振,MMDMonitor/Quartztek成立于1994年,是一家全面服務的頻率控制設備制造商。從那時起,MMD已經發展成為一家服務型技術公司,由知識豐富的管理團隊和致力于完成客戶滿意度的專...
MMDCOMP晶振,G晶振,GXXBB1-12.000MHZ-T晶振
.jpg)

MMDCOMP晶振,G晶振,GXXBB1-12.000MHZ-T晶振,MMD Monitor / Quartztek成立于1994年,是一家全面服務的頻率控制設備制造商。從那時起,MMD已經發展成為一家服務型技術公司,由知識豐富的管理團隊和致力于完成客戶滿意度的專職人員推動。
總部位于內華達州的里諾和南加州的偏遠地區。MMD Monitor / Quartztek在頻率控制行業的大批量,低成本領域迅速建立了良好的服務聲譽。2002年,MMD收購Monitor Products和Quartztek,鞏固了其在高穩定性,高性能振蕩器領域以及軍事市場的地位。Monitor Products一直是頻率控制市場高穩定性領域的QPL認證技術領導者,生產定制TCXO和高精度OCXO。
Monitor Products也符合MIL-PRF-55310(QPL)的要求。Monitor Products在行業中的專業技術可追溯到75年。
MMD Monitor / Quartztek提供完整的研究和開發能力,最先進的測試設備,快速制造和全面倉儲(包括保稅庫存設施)。
麥迪康晶振,英文名稱MMDCOMP晶振,成立于1994年,主要生產石英晶體振蕩器,石英晶振,貼片晶振,發展至今成為一家服務型技術公司,擁有知識豐富的管理團隊,以及優秀的服務團隊.MMDCOMP晶振,G晶振,GXXBB1-12.000MHZ-T晶振.
Monitor Products也符合MIL-PRF-55310(QPL)的要求。Monitor Products在行業中的專業技術可追溯到75年。
MMD Monitor / Quartztek提供完整的研究和開發能力,最先進的測試設備,快速制造和全面倉儲(包括保稅庫存設施)。
麥迪康晶振,英文名稱MMDCOMP晶振,成立于1994年,主要生產石英晶體振蕩器,石英晶振,貼片晶振,發展至今成為一家服務型技術公司,擁有知識豐富的管理團隊,以及優秀的服務團隊.MMDCOMP晶振,G晶振,GXXBB1-12.000MHZ-T晶振.
| MMDCOMP晶振規格 | 單位 | G晶振頻率范圍 | 石英晶振基本條件 | |
| 標準頻率 | f_nom | 6~100MHZ | 標準頻率 | |
| 儲存溫度 | T_stg | -40°C ~ +85°C | 裸存 | |
| 工作溫度 | T_use | 0°C ~ +70°C,-20°C ~ +70°C,-40°C ~ +85°C | 標準溫度 | |
| 激勵功率 | DL | 100µW Max. | 推薦:1μW ~ 100μW | |
| 頻率公差 | f_— l |
±100 × 10-6 ,±50 × 10-6 ±30 × 10-6 ,±15 × 10-6 ±10 × 10-6 |
+25°C 對于超出標準的規格說明,請聯系我們以便獲取相關的信息,http://www.128vod.com/ | |
| 頻率溫度特征 | f_tem |
±100 × 10-6 ,±50 × 10-6 ±30 × 10-6 ,±15× 10-6 |
超出標準的規格請聯系我們. | |
| 負載電容 | CL | 7pF(最大) | 不同負載要求,請聯系我們. | |
| 串聯電阻(ESR) | R1 | 如下表所示 | -40°C — +85°C, DL = 100μW | |
| 頻率老化 | f_age | ±5 × 10-6 / year Max. | +25°C,第一年 | |
.jpg)

存儲事項(1) 在更高或更低溫度或高濕度環境下長時間保存晶體產品時,會影響頻率穩定性或焊接性。請在正常溫度和濕度環境下保存這些晶體產品,并在開封后盡可能進行安裝,以免長期儲藏。
正常溫度和濕度:
溫度:+15°C 至 +35°C,濕度 25 % RH 至 85 % RH(請參閱“測試點JIS C 60068-1 / IEC 60068-1的標準條件”章節內容)。
(2) 請仔細處理內外盒與卷帶。外部壓力會導致卷帶受到損壞。
安裝時注意事項
耐焊性
加熱包裝材料至+150°C以上會破壞產品特性或損害產品。如需在+150°C以上焊接晶體產品,建議使用SMD產品。在下列回流條件下,對晶體產品甚至SMD產品使用更高溫度,會破壞產品特性。建議使用下列配置情況的回流條件。安裝這些產品之前,應檢查焊接溫度和時間。同時,在安裝條件更改的情況下,請再次進行檢查。如果需要焊接的石英晶體產品在下列配置條件下進行焊接,請聯系我們以獲取耐熱的相關信息。
(1)柱面式產品和DIP產品
型號 焊接條件
[ 柱面式 音叉晶振]
C-類型,C-2-類型,C-4-類型 +280°C或低于@最大值5 s
請勿加熱封裝材料超過+150°C
[ 柱面式 ]
CA-301
[ DIP ]
SG-51 / 531, SG-8002DB DC,
RTC-72421 / 7301DG +260°C或低于@最大值 10 s
請勿加熱封裝材料超過+150°C
(2)SMD晶振產品回流焊接條件(實例)
用于JEDEC J-STD-020D.01回流條件的耐熱可用性需個別判斷。請聯系我們以便獲取相關信息。
盡可能使溫度變化曲線保持平滑。MMDCOMP晶振,G晶振,GXXBB1-12.000MHZ-T晶振.
深圳市帝國科技有限公司
SHENZHEN DIGUO TECHONLOGY CO.,LTD
手 機:86-13826527865
電 話:86-0755-27881119 QQ:921977998
E-mail:dgkjly@163.com
網 址:www.128vod.com
地 址:中國廣東省深圳市寶安區西鄉大道新湖路






業務經理