您好,歡迎光臨帝國科技!
產品分類
PRODUCT
PRODUCT
- 國產晶振
- 聲表面濾波器
- 石英晶體
- 石英晶振
- 貼片晶振
- 陶瓷晶振
- 陶瓷濾波器
- 陶瓷霧化片
- 進口晶振
- MERCURY晶振
- Fujicom晶振
- 日本大真空晶振
- 愛普生晶振
- 西鐵城晶振
- 精工晶振
- 村田陶瓷晶振
- 日本京瓷晶振
- 日本進口NDK晶體
- 大河晶振
- TXC晶振
- 亞陶晶振
- 臺灣泰藝晶體
- 臺灣鴻星晶體
- 美國CTS晶體
- 微孔霧化片
- 加高晶振
- 希華石英晶振
- AKER晶振
- NAKA晶振
- SMI晶振
- NJR晶振
- NKG晶振
- Sunny晶振
- 歐美晶振
- Abracon晶振
- ECS晶振
- Golledge晶振
- IDT晶振
- Jauch晶振
- Pletronics晶振
- Raltron晶振
- SiTime晶振
- Statek晶振
- Greenray晶振
- 康納溫菲爾德晶振
- Ecliptek晶振
- Rakon晶振
- Vectron晶振
- 微晶晶振
- AEK晶振
- AEL晶振
- Cardinal晶振
- Crystek晶振
- Euroquartz晶振
- FOX晶振
- Frequency晶振
- GEYER晶振
- KVG晶振
- ILSI晶振
- MMDCOMP晶振
- MtronPTI晶振
- QANTEK晶振
- QuartzCom晶振
- Quarztechnik晶振
- Suntsu晶振
- Transko晶振
- Wi2Wi晶振
- ACT晶振
- MTI晶振
- Lihom晶振
- Rubyquartz晶振
- Oscilent晶振
- SHINSUNG晶振
- ITTI晶振
- PDI晶振
- ARGO晶振
- IQD晶振
- Microchip晶振
- Silicon晶振
- Fortiming晶振
- CORE晶振
- NIPPON晶振
- NICKC晶振
- QVS晶振
- Bomar晶振
- Bliley晶振
- GED晶振
- FILTRONETICS晶振
- STD晶振
- Q-Tech晶振
- Anderson晶振
- Wenzel晶振
- NEL晶振
- EM晶振
- PETERMANN晶振
- FCD-Tech晶振
- HEC晶振
- FMI晶振
- Macrobizes晶振
- AXTAL晶振
帝國博客
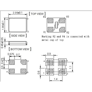
更多>>- 規格型號:74733538
- 頻率:16~50MHZ
- 尺寸:2.0*1.6mm
- 產品描述:KVG晶振,XMP-12100晶振,XMP-12132-A1-12pF-20MHz晶振,KVG晶振公司的發展史展現了晶體產品生產技術持續更新發展的過程:1968生產溫度補償晶振TCXOs.1970晶體生產中的直接濺鍍.1971整塊晶體濾波器的生產.1972生產凸面性...
KVG晶振,XMP-12100晶振,XMP-12132-A1-12pF-20MHz晶振
.jpg)

KVG晶振,XMP-12100晶振,XMP-12132-A1-12pF-20MHz晶振,KVG晶振公司的發展史展現了晶體產品生產技術持續更新發展的過程:
1970 晶體生產中的直接濺鍍.
1971 整塊晶體濾波器的生產.
1972 生產凸面性晶體晶片.
1974 引進射線測量技術用于切割面角度的測定.
1979 以電腦為后臺的晶體溫度測定.
1981 以計算機為支持的TCXO的生產.
1983 KVG晶振研發基于晶體的傳感器和研發OCXOs.
1987 基于計算機控制的質量管理體系.
1988 SMD組件的自動裝備機.
1999 用HFF晶體生產VCXOs.
2000 建立新生產,用于生產精準晶體的產品系列.
2002 KVG重塑獨立實體.
2003 在晶體振蕩器中使用電子諧頻.
2005 設計出低相噪OCXO.
2007 設計出航天級的晶體.
2008 設計出航天級的晶體振蕩器.
2009 建成新的生產設備.
2010 KVG重組了晶體和振蕩器生產工廠.
2010 設計出抗沖擊振動 OCXOs.
2011 空間晶體得到歐洲航天局的資格認證.
2013 以晶體振蕩器XO和VCXO成為歐洲航天局的資格供應商.
2014 采用機械阻尼OCXO模塊.
2015 設計出超低相躁RF-OCXO和抗沖擊振動OCXO.
在恒溫晶振的領域內的新設計,如提高抗沖擊振動技術,新的RF TCXO和OCXO,使得在晶體和石英晶體振蕩器的領域再次設定了標準.
主要生產銷售石英晶振,晶體振蕩器,聲表面濾波器等元件.KVG石英晶體廣泛用于電信網絡,儀器設備,GSP導航等應用領域.KVG晶振,XMP-12100晶振,XMP-12132-A1-12pF-20MHz晶振.
| KVG晶振規格 | 單位 | XMP-12100晶振頻率范圍 | 石英晶振基本條件 | |
| 標準頻率 | f_nom | 8~50MHZ,標準頻率:26,30,32MHZ | 標準頻率 | |
| 儲存溫度 | T_stg | -55°C ~ +125°C | 裸存 | |
| 工作溫度 | T_use |
1: -10 to +60 °C
2: -20 to +70 °C
3: -30 to +85 °C
4: -40 to +85 °C
|
標準溫度 | |
| 激勵功率 | DL | 10µW Max. | 推薦:1μW ~ 100μW | |
| 頻率公差 | f_— l | ±50 × 10-6 | +25°C 對于超出標準的規格說明,請聯系我們以便獲取相關的信息,http://www.128vod.com/ | |
| 頻率溫度特征 | f_tem |
±5 × 10-6 ,±10 × 10-6 ±15 × 10-6 ,±25 × 10-6 |
超出標準的規格請聯系我們. | |
| 負載電容 | CL | ≥8 pf ≤ 16 pf | 不同負載要求,請聯系我們. | |
| 串聯電阻(ESR) | R1 | / | -40°C — +85°C, DL = 100μW | |
| 頻率老化 | f_age | ±3.0 × 10-6 / year Max. | +25°C,第一年 | |
.jpg)

存儲事項(1) 在更高或更低溫度或高濕度環境下長時間保存晶體產品時,會影響頻率穩定性或焊接性。請在正常溫度和濕度環境下保存這些晶體產品,并在開封后盡可能進行安裝,以免長期儲藏。
正常溫度和濕度:
溫度:+15°C 至 +35°C,濕度 25 % RH 至 85 % RH(請參閱“測試點JIS C 60068-1 / IEC 60068-1的標準條件”章節內容)。
(2) 請仔細處理內外盒與卷帶。外部壓力會導致卷帶受到損壞。
安裝時注意事項
耐焊性
加熱包裝材料至+150°C以上會破壞產品特性或損害產品。如需在+150°C以上焊接晶體產品,建議使用SMD產品。在下列回流條件下,對晶體產品甚至SMD產品使用更高溫度,會破壞產品特性。建議使用下列配置情況的回流條件。安裝這些產品之前,應檢查焊接溫度和時間。同時,在安裝條件更改的情況下,請再次進行檢查。如果需要焊接的石英晶體產品在下列配置條件下進行焊接,請聯系我們以獲取耐熱的相關信息。
(1)柱面式產品和DIP產品
型號 焊接條件
[ 柱面式 音叉晶振]
C-類型,C-2-類型,C-4-類型 +280°C或低于@最大值5 s
請勿加熱封裝材料超過+150°C
[ 柱面式 ]
CA-301
[ DIP ]
SG-51 / 531, SG-8002DB DC,
RTC-72421 / 7301DG +260°C或低于@最大值 10 s
請勿加熱封裝材料超過+150°C
(2)SMD晶振產品回流焊接條件(實例)
用于JEDEC J-STD-020D.01回流條件的耐熱可用性需個別判斷。請聯系我們以便獲取相關信息。
盡可能使溫度變化曲線保持平滑。KVG晶振,XMP-12100晶振,XMP-12132-A1-12pF-20MHz晶振.

深圳市帝國科技有限公司
SHENZHEN DIGUO TECHONLOGY CO.,LTD
手 機:86-13826527865
電 話:86-0755-27881119 QQ:921977998
E-mail:dgkjly@163.com
網 址:www.128vod.com
地 址:中國廣東省深圳市寶安區西鄉大道新湖路










業務經理