您好,歡迎光臨帝國科技!
產品分類
PRODUCT
PRODUCT
- 國產晶振
- 聲表面濾波器
- 石英晶體
- 石英晶振
- 貼片晶振
- 陶瓷晶振
- 陶瓷濾波器
- 陶瓷霧化片
- 進口晶振
- MERCURY晶振
- Fujicom晶振
- 日本大真空晶振
- 愛普生晶振
- 西鐵城晶振
- 精工晶振
- 村田陶瓷晶振
- 日本京瓷晶振
- 日本進口NDK晶體
- 大河晶振
- TXC晶振
- 亞陶晶振
- 臺灣泰藝晶體
- 臺灣鴻星晶體
- 美國CTS晶體
- 微孔霧化片
- 加高晶振
- 希華石英晶振
- AKER晶振
- NAKA晶振
- SMI晶振
- NJR晶振
- NKG晶振
- Sunny晶振
- 歐美晶振
- Abracon晶振
- ECS晶振
- Golledge晶振
- IDT晶振
- Jauch晶振
- Pletronics晶振
- Raltron晶振
- SiTime晶振
- Statek晶振
- Greenray晶振
- 康納溫菲爾德晶振
- Ecliptek晶振
- Rakon晶振
- Vectron晶振
- 微晶晶振
- AEK晶振
- AEL晶振
- Cardinal晶振
- Crystek晶振
- Euroquartz晶振
- FOX晶振
- Frequency晶振
- GEYER晶振
- KVG晶振
- ILSI晶振
- MMDCOMP晶振
- MtronPTI晶振
- QANTEK晶振
- QuartzCom晶振
- Quarztechnik晶振
- Suntsu晶振
- Transko晶振
- Wi2Wi晶振
- ACT晶振
- MTI晶振
- Lihom晶振
- Rubyquartz晶振
- Oscilent晶振
- SHINSUNG晶振
- ITTI晶振
- PDI晶振
- ARGO晶振
- IQD晶振
- Microchip晶振
- Silicon晶振
- Fortiming晶振
- CORE晶振
- NIPPON晶振
- NICKC晶振
- QVS晶振
- Bomar晶振
- Bliley晶振
- GED晶振
- FILTRONETICS晶振
- STD晶振
- Q-Tech晶振
- Anderson晶振
- Wenzel晶振
- NEL晶振
- EM晶振
- PETERMANN晶振
- FCD-Tech晶振
- HEC晶振
- FMI晶振
- Macrobizes晶振
- AXTAL晶振
帝國博客
更多>>- 規格型號:90964870
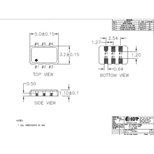
- 頻率:0.750~1350MHz
- 尺寸:5.0*3.2mm
- 產品描述:IDT晶振,XLP晶振,LVPECL振蕩器,汽車占每年全球主要能源消耗的16%。IDT的產品可以通過節能創新來幫助減少這種消費。我們的智能傳感器接口和傳感器信號調節器有助于提高燃料效率和減少碳排放。IDT以其智能傳感器和行業領...
IDT晶振,XLP晶振,LVPECL振蕩器
.jpg)
IDT晶振,XLP晶振,LVPECL振蕩器,汽車占每年全球主要能源消耗的16%。IDT的產品可以通過節能創新來幫助減少這種消費。我們的智能傳感器接口和傳感器信號調節器有助于提高燃料效率和減少碳排放。IDT以其智能傳感器和行業領先的時間組合來處理汽車應用。IDT在德國的全資子公司- IDT歐洲有限公司(前身為ZMD AG)運營其卓越的汽車中心。本公司卓越的子公司/中心是ts - 16949,根據iso26262的標準,支持功能性安全要求。
IDT晶振的傳感器信號調節器適用于各種汽車應用,包括電力轉向、排放控制、可變閥門定時、液位測量、航向通風和空調(HVAC)。
IDT的創新時機、互連、PMIC和無線電力解決方案使客戶能夠開發具有創新功能、改進性能和延長電池壽命的移動和個人電子產品。IDT晶振,XLP晶振,LVPECL振蕩器.

| 型號 | 符號 | XLP(5032) |
| 輸出規格 | - | LV-PECL |
| 輸出頻率范圍 | fo | 0.750~1350MHz |
| 電源電壓 | VCC | +2.5V±0.125V/+3.3V±0.165V |
|
頻率公差 (含常溫偏差) |
f_tol | ±50×10-6 max., ±100×10-6 max. |
| 保存溫度范圍 | T_stg | -40?+85℃ |
| 運行溫度范圍 | T_use | -10~+70℃ ,-40~+85℃ |
| 消耗電流 | ICC | 45mA max. (fo≦170MHz) |
| 待機時電流(#1引腳"L") | I_std | 10μA max. |
| 輸出負載 | Load-R | 50Ω to VCC-2V |
| 波形對稱 | SYM | 45~55% [at outputs cross point] |
| 0電平電壓 | VOL | VCC-1.81~VCC-1.62V |
| 1電平電壓 | VOH | VCC-1.025~VCC-0.88V |
| 上升時間 下降時間 | tr, tf | 0.5ns max. [20~80% Output, OutputN] |
| 差分輸出電壓 | VOD1, VOD2 | - |
| 差分輸出誤差 | ⊿VOD | - |
| 補償電壓 | VOS | - |
| 補償電壓誤差 | ⊿VOS | - |
| 交叉點電壓 | Vcr | - |
| OE端子0電平輸入電壓 | VIL | VCC×0.3 max. |
| OE端子1電平輸入電壓 | VIH | VCC×0.7 min. |
| 輸出禁用時間 | tPLZ | 200ns |
| 輸出使能時間 | tPZL | 2ms |
| 周期抖動(1) | tRMS | 5ps typ. (13.5MHz≦fo<27MHz) / 2.5ps typ. (27MHz≦fo<212.5MHz) (σ) |
| tp-p | 33ps typ. (13.5MHz≦fo<27MHz) / 22ps typ. (27MHz≦fo<212.5MHz) (Peak to peak) | |
| 總抖動(1) | tTL | 50ps typ. (13.5MHz≦fo<27MHz) / 35ps typ. (27MHz≦fo<212.5MHz) [tDJ + n×tRJ n=14.1(BER=1×10-12) (2)] |
| 相位抖動 | tpj |
1.5ps max. (13.5MHz≦fo<27MHz) / 1ps max. (27MHz≦fo<212.5MHz) [13.5MHz≦fo<40MHz,fo offset:12kHz?5MHz fo≧40MHz,fo offset:12kHz~20MHz] |


耐焊性:
將晶振加熱包裝材料至+150°C以上會破壞產品特性或損害產品.如需在+150°C以上焊接石英晶振,建議使用SMD晶振產品.在下列回流條件下,對石英晶振產品甚至SMD貼片晶振使用更高溫度,會破壞晶振特性.建議使用下列配置情況的回流條件.安裝這些貼片晶振之前,應檢查焊接溫度和時間.同時,在安裝條件更改的情況下,請再次進行檢查.如果需要焊接的晶振產品在下列配置條件下進行焊接,請聯系我們以獲取耐熱的相關信息.
粘合劑
請勿使用可能導致石英晶振所用的封裝材料,終端,組件,玻璃材料以及氣相沉積材料等受到腐蝕的膠粘劑.(比如,氯基膠粘劑可能腐蝕一個晶振的金屬“蓋”,從而破壞密封質量,降低性能.)
機械振動的影響
當晶振產品上存在任何給定沖擊或受到周期性機械振動時,比如:壓電揚聲器,壓電蜂鳴器,以及喇叭等,輸出頻率和幅度會受到影響.這種現象對通信器材通信質量有影響.盡管晶振產品設計可最小化這種機械振動的影響,我們推薦事先檢查并按照下列安裝指南進行操作.
熱影響
重復的溫度巨大變化可能會降低受損害的石英晶振產品特性,并導致塑料封裝里的線路擊穿.必須避免這種情況.
安裝方向
振蕩器的不正確安裝會導致故障以及崩潰,因此安裝時,請檢查安裝方向是否正確.
通電
不建議從中間電位和/或極快速通電,否則會導致無法產生振蕩和/或非正常工作.IDT晶振,XLP晶振,LVPECL振蕩器.
負載電容
有源晶振振蕩電路中負載電容的不同,可能導致振蕩頻率與設計頻率之間產生偏差.試圖通過強力調整,可能只會導致不正常的振蕩.在使用之前,請指明該振動電路的負載電容(請參閱“負載電容”章節內容).





深圳市帝國科技有限公司SHENZHEN DIGUO TECHONLOGY CO.,LTD
聯系人:譚蘭艾 手 機:86-13826527865
電 話:86-0755-27881119 QQ:921977998
E-mail:dgkjly@163.com
網 址:www.128vod.com
地 址:中國廣東省深圳市寶安區西鄉大道新湖路






業務經理