您好,歡迎光臨帝國科技!
產品分類
PRODUCT
PRODUCT
- 國產晶振
- 聲表面濾波器
- 石英晶體
- 石英晶振
- 貼片晶振
- 陶瓷晶振
- 陶瓷濾波器
- 陶瓷霧化片
- 進口晶振
- MERCURY晶振
- Fujicom晶振
- 日本大真空晶振
- 愛普生晶振
- 西鐵城晶振
- 精工晶振
- 村田陶瓷晶振
- 日本京瓷晶振
- 日本進口NDK晶體
- 大河晶振
- TXC晶振
- 亞陶晶振
- 臺灣泰藝晶體
- 臺灣鴻星晶體
- 美國CTS晶體
- 微孔霧化片
- 加高晶振
- 希華石英晶振
- AKER晶振
- NAKA晶振
- SMI晶振
- NJR晶振
- NKG晶振
- Sunny晶振
- 歐美晶振
- Abracon晶振
- ECS晶振
- Golledge晶振
- IDT晶振
- Jauch晶振
- Pletronics晶振
- Raltron晶振
- SiTime晶振
- Statek晶振
- Greenray晶振
- 康納溫菲爾德晶振
- Ecliptek晶振
- Rakon晶振
- Vectron晶振
- 微晶晶振
- AEK晶振
- AEL晶振
- Cardinal晶振
- Crystek晶振
- Euroquartz晶振
- FOX晶振
- Frequency晶振
- GEYER晶振
- KVG晶振
- ILSI晶振
- MMDCOMP晶振
- MtronPTI晶振
- QANTEK晶振
- QuartzCom晶振
- Quarztechnik晶振
- Suntsu晶振
- Transko晶振
- Wi2Wi晶振
- ACT晶振
- MTI晶振
- Lihom晶振
- Rubyquartz晶振
- Oscilent晶振
- SHINSUNG晶振
- ITTI晶振
- PDI晶振
- ARGO晶振
- IQD晶振
- Microchip晶振
- Silicon晶振
- Fortiming晶振
- CORE晶振
- NIPPON晶振
- NICKC晶振
- QVS晶振
- Bomar晶振
- Bliley晶振
- GED晶振
- FILTRONETICS晶振
- STD晶振
- Q-Tech晶振
- Anderson晶振
- Wenzel晶振
- NEL晶振
- EM晶振
- PETERMANN晶振
- FCD-Tech晶振
- HEC晶振
- FMI晶振
- Macrobizes晶振
- AXTAL晶振
帝國博客
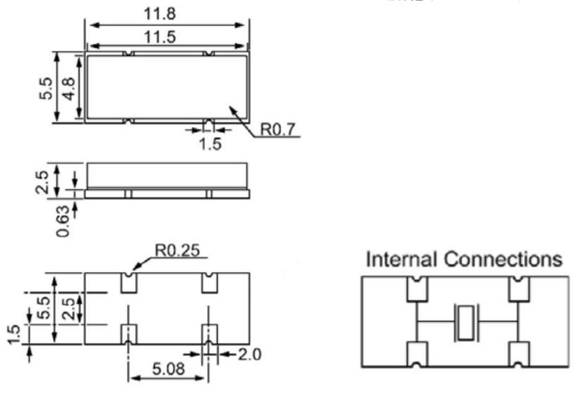
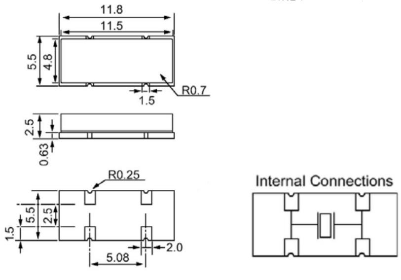
更多>>- 規格型號:63087177
- 頻率:24MHz
- 尺寸:11.8x5.5mm
- 產品描述:ECS-240-16-18-TR,CSM-12,ECS陶瓷晶振,24MHz晶體,美國進口晶振,ECS晶振,伊西斯晶振,型號:CSM-12系列晶振,編碼為:ECS-240-16-18-TR,頻率:24MHz,負載電容:16pF,工作溫度范圍:-40℃至+85℃,小體積晶振尺寸...
ECS-240-16-18-TR,CSM-12,ECS陶瓷晶振
.jpg)
ECS-240-16-18-TR,CSM-12,ECS陶瓷晶振,24MHz石英晶體,美國進口晶振,ECS晶振,伊西斯晶振,型號:CSM-12系列晶振,編碼為:ECS-240-16-18-TR,頻率:24MHz,負載電容:16pF,工作溫度范圍:-40℃至+85℃,小體積晶振尺寸:11.8x5.5x2.5mm陶瓷SMD封裝,四腳貼片晶振,石英晶振,無源晶振,陶瓷晶振,石英晶體諧振器,CSM-12是一種低輪廓的SMD晶體,這個成本效益的包裝提供2.5毫米的高度。應用于:無線藍牙晶振,汽車電子晶振,智能家居晶振,數碼電子等應用。

| PARAMETERS | CONDITIONS | MIN | TYP | MAX | UNITS |
| Frequency | 24 | MHz | |||
| Mode of Oscillation | Fundamental | ||||
| Frequency Tolerance | @ +25°C | ± 30 | ppm | ||
| Frequency Stability | -10 ~ +70°C | ± 50 | ppm | ||
| -40 ~ +85°C | ±100 | ppm | |||
| Shunt Capacitance | Co | 7 | pF | ||
| Load Capacitance | Specify in P/N | 10 | 20 | Series | pF |
| Drive Level | DL | 100 | μW | ||
| Operating Temperature* | Topr | -40 | +85 | °C | |
| Storage Temperature | Tstg | -55 | +125 | °C | |
| Aging (First Year) | @ +25°C ±3°C | ±5 | ppm |

ECS-240-16-18-TR,CSM-12,ECS陶瓷晶振,24MHz石英晶體,尺寸圖


| 原廠編碼 | 晶振廠家 | 型號 | 頻率 | 工作溫度 |
| ECS-40-S-18-TR | ECS晶振 | CSM-12 | 4MHz | -40°C ~ 85°C |
| ECS-36-S-18-TR | ECS晶振 | CSM-12 | 3.6864MHz | -40°C ~ 85°C |
| ECS-200-S-18-TR | ECS晶振 | CSM-12 | 20MHz | -40°C ~ 85°C |
| ECS-200-18-18-TR | ECS晶振 | CSM-12 | 20MHz | -40°C ~ 85°C |
| ECS-36-20-18-TR | ECS晶振 | CSM-12 | 3.6864MHz | -40°C ~ 85°C |
| ECS-80-20-18-TR | ECS晶振 | CSM-12 | 8MHz | -40°C ~ 85°C |
| ECS-100-18-18-TR | ECS晶振 | CSM-12 | 10MHz | -40°C ~ 85°C |
| ECS-40-20-18-TR | ECS晶振 | CSM-12 | 4MHz | -40°C ~ 85°C |
| ECS-147.4-18-18-TR | ECS晶振 | CSM-12 | 14.7456MHz | -40°C ~ 85°C |
| ECS-40-18-18-TR | ECS晶振 | CSM-12 | 4MHz | -40°C ~ 85°C |
| ECS-80-18-18-TR | ECS晶振 | CSM-12 | 8MHz | -40°C ~ 85°C |
| ECS-200-20-18-TR | ECS晶振 | CSM-12 | 20MHz | -40°C ~ 85°C |
| ECS-36-18-18-TR | ECS晶振 | CSM-12 | 3.6864MHz | -40°C ~ 85°C |
| ECS-110.5-18-18-TR | ECS晶振 | CSM-12 | 11.0592MHz | -40°C ~ 85°C |
| ECS-160-18-18-TR | ECS晶振 | CSM-12 | 16MHz | -40°C ~ 85°C |
| ECS-60-18-18-TR | ECS晶振 | CSM-12 | 6MHz | -40°C ~ 85°C |
| ECS-35-17-18-TR | ECS晶振 | CSM-12 | 3.579545MHz | -40°C ~ 85°C |
| ECS-73-S-18-TR | 石英晶振 | CSM-12 | 7.3728MHz | -40°C ~ 85°C |
| ECS-50-18-18-TR | ECS晶振 | CSM-12 | 5MHz | -40°C ~ 85°C |
| ECS-240-16-18-TR | ECS晶振 | CSM-12 | 24MHz | -40°C ~ 85°C |
| ECS-160-S-18-TR | ECS晶振 | CSM-12 | 16MHz | -40°C ~ 85°C |
| ECS-49-20-18-TR | ECS晶振 | CSM-12 | 4.9152MHz | -40°C ~ 85°C |
| ECS-120-S-18-TR | ECS晶振 | CSM-12 | 12MHz | -40°C ~ 85°C |
| ECS-100-S-18-TR | ECS晶振 | CSM-12 | 10MHz | -40°C ~ 85°C |
| ECS-110.5-20-18-TR | ECS晶振 | CSM-12 | 11.0592MHz | -40°C ~ 85°C |
| ECS-120-18-18-TR | ECS晶振 | CSM-12 | 12MHz | -40°C ~ 85°C |
| ECS-240-20-18-TR | ECS晶振 | CSM-12 | 24MHz | -40°C ~ 85°C |
| ECS-143-S-18-TR | ECS晶振 | CSM-12 | 14.31818MHz | -40°C ~ 85°C |
| ECS-61-32-18-TR | ECS晶振 | CSM-12 | 6.144MHz | -40°C ~ 85°C |
| ECS-80-S-18-TR | ECS晶振 | CSM-12 | 8MHz | -40°C ~ 85°C |
| ECS-49-18-18-TR | ECS晶振 | CSM-12 | 4.9152MHz | -40°C ~ 85°C |
| ECS-41-18-18-TR | ECS晶振 | CSM-12 | 4.096MHz | -40°C ~ 85°C |
| ECS-112.896-18-18-TR | ECS晶振 | CSM-12 | 11.2896MHz | -40°C ~ 85°C |
| ECS-73-18-18-TR | ECS晶振 | CSM-12 | 7.3728MHz | -40°C ~ 85°C |
| ECS-245.7-18-18-TR | ECS晶振 | CSM-12 | 24.576MHz | -40°C ~ 85°C |
| ECS-49-S-18-TR | ECS晶振 | CSM-12 | 4.9152MHz | -40°C ~ 85°C |
| ECS-184-S-18-TR | ECS晶振 | CSM-12 | 18.432MHz | -40°C ~ 85°C |
| ECS-98.3-20-18-TR | ECS晶振 | CSM-12 | 9.8304MHz | -40°C ~ 85°C |
| ECS-110.5-S-18-TR | ECS晶振 | CSM-12 | 11.0592MHz | -40°C ~ 85°C |
| ECS-250-18-18-TR | ECS晶振 | CSM-12 | 25MHz | -40°C ~ 85°C |
| ECS-35-18-18-TR | ECS晶振 | CSM-12 | 3.579545MHz | -40°C ~ 85°C |

深圳市帝國科技有限公司SHENZHEN DIGUO TECHONLOGY CO.,LTD
聯系人:譚蘭艾 手 機:86-13826527865
電 話:86-0755-27881119 QQ:921977998
E-mail:dgkjly@163.com
網 址:www.128vod.com
地 址:中國廣東省深圳市寶安區西鄉大道新湖路









業務經理