您好,歡迎光臨帝國科技!
產品分類
PRODUCT
PRODUCT
- 國產晶振
- 聲表面濾波器
- 石英晶體
- 石英晶振
- 貼片晶振
- 陶瓷晶振
- 陶瓷濾波器
- 陶瓷霧化片
- 進口晶振
- MERCURY晶振
- Fujicom晶振
- 日本大真空晶振
- 愛普生晶振
- 西鐵城晶振
- 精工晶振
- 村田陶瓷晶振
- 日本京瓷晶振
- 日本進口NDK晶體
- 大河晶振
- TXC晶振
- 亞陶晶振
- 臺灣泰藝晶體
- 臺灣鴻星晶體
- 美國CTS晶體
- 微孔霧化片
- 加高晶振
- 希華石英晶振
- AKER晶振
- NAKA晶振
- SMI晶振
- NJR晶振
- NKG晶振
- Sunny晶振
- 歐美晶振
- Abracon晶振
- ECS晶振
- Golledge晶振
- IDT晶振
- Jauch晶振
- Pletronics晶振
- Raltron晶振
- SiTime晶振
- Statek晶振
- Greenray晶振
- 康納溫菲爾德晶振
- Ecliptek晶振
- Rakon晶振
- Vectron晶振
- 微晶晶振
- AEK晶振
- AEL晶振
- Cardinal晶振
- Crystek晶振
- Euroquartz晶振
- FOX晶振
- Frequency晶振
- GEYER晶振
- KVG晶振
- ILSI晶振
- MMDCOMP晶振
- MtronPTI晶振
- QANTEK晶振
- QuartzCom晶振
- Quarztechnik晶振
- Suntsu晶振
- Transko晶振
- Wi2Wi晶振
- ACT晶振
- MTI晶振
- Lihom晶振
- Rubyquartz晶振
- Oscilent晶振
- SHINSUNG晶振
- ITTI晶振
- PDI晶振
- ARGO晶振
- IQD晶振
- Microchip晶振
- Silicon晶振
- Fortiming晶振
- CORE晶振
- NIPPON晶振
- NICKC晶振
- QVS晶振
- Bomar晶振
- Bliley晶振
- GED晶振
- FILTRONETICS晶振
- STD晶振
- Q-Tech晶振
- Anderson晶振
- Wenzel晶振
- NEL晶振
- EM晶振
- PETERMANN晶振
- FCD-Tech晶振
- HEC晶振
- FMI晶振
- Macrobizes晶振
- AXTAL晶振
帝國博客
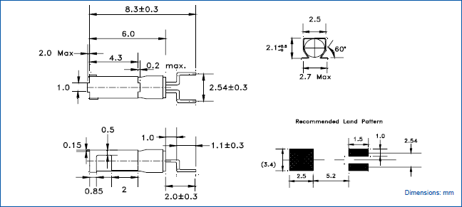
更多>>- 規格型號:58046149
- 頻率:32.768kHz / 25kHz to 200kHz
- 尺寸:8.3 x 2.7mm
- 產品描述:32.768K時鐘晶體具有小型,薄型,輕型的貼片晶振表面音叉型晶體諧振器,產品具有優良的耐熱性,耐環境特性,可發揮晶振優良的電氣特性,符合RoHS規定,滿足無鉛焊接的高溫回流溫度曲線要求,金屬外殼的封裝使得產品在封裝時能...
Abracon晶振,石英晶振,AB26TRJ晶振,進口32.768KHZ晶振
Abracon晶振,石英晶振,AB26TRJ晶振,進口32.768KHZ晶振我公司所生產的音叉石英晶振具有電阻小,高低溫穩定性能變化不大,在惡劣環境中均能保持正常工作,精度性能優越等特點,主要采用了高精度晶片的拋光技術:是目前晶片研磨技術中表面處理技術的最高技術,最終使晶片表面更光潔,平行度及平面度更好,降低諧振電阻,提高Q值。從而達到一般研磨所達不到的產品性能,使石英晶體諧振器元器件的等效電阻等更接近理論值,使石英晶體元器件可在更低功耗下工作。使用先進的牛頓環及單色光的方法去檢測晶片表面的狀態。

由于大多數Pierce振蕩器的跨導(gm)繼續向前所未有的低水平下降,所以ABRACON石英晶體Abracon晶振,石英晶振,AB26TRJ晶振,進口32.768KHZ晶振不僅被迫尺寸較小,而且還提供非常低的電鍍負載(CL)和低等效串聯電阻(ESR)參數選項。滿足節能MCU和RF芯片組要求的最低gm_critical要求取決于保持低CL,ESR和C0參數的保證。這需要在晶體上采用新的非平凡電鍍設計,同時降低CL和ESR,并且仍然可以保證低溫度和老化效應的規格。ABRACON新的石英晶體電鍍設計使得下一代Pierce振蕩器能夠在能夠保持振蕩的情況下運行在煙霧上。電子行業有一個非常一致的趨勢,直接取決于時間 - 隨著技術越來越小,功耗降低的需求越來越高。解決石英晶體設計要求,取決于行業需求,已經成為至關重要的。
Abracon的Pierce分析儀系統(PAS)由我們的工程師設計,可幫助您為行業領先的設計做出正確的選擇。 PAS測試驗證了電路中的石英晶振性能,同時測量晶體,晶體振蕩器和印刷電路板寄生效應。測試系統中所有變量的帳戶,并使晶體參數與MCU或RF芯片組中的電路板和振蕩器實現理想的匹配。這對于使用下一代需要最佳gm因子的節能技術尤其重要。


7-1:機械振動的影響
當無源晶體產品上存在任何給定沖擊或受到周期性機械振動時,比如:壓電揚聲器,壓電蜂鳴器,以及喇叭等,輸出頻率和幅度會受到影響。這種現象對通信器材通信質量有影響。盡管Abracon晶振,石英晶振,AB26TRJ晶振,進口32.768KHZ晶振晶體產品設計可最小化這種機械振動的影響,我們推薦事先檢查并按照下列安裝指南進行操作。
7-2:PCB設計指導
(1) 理想情況下,機械蜂鳴器應安裝在一個獨立于圓柱晶振器件的PCB板上。如果您安裝在同一個PCB板上,最好使用余量或切割PCB。當應用于PCB板本身或PCB板體內部時,機械振動程度有所不同。建議遵照內部板體特性。
(2) 在設計時請參考相應的推薦封裝。
(3) 在使用焊料助焊劑時,按JIS標準(JIS C 60068-2-20/IEC 60,068-2-20).來使用。
(4) 請按JIS標準(JIS Z 3282, Pb 含量 1000ppm, 0.1wt% 或更少)來使用無鉛焊料。
.jpg)

深圳市帝國科技有限公司
SHENZHEN DIGUO TECHONLOGY CO.,LTD
聯系人:譚蘭艾 手 機:86-13826527865
電 話:86-0755-27881119 QQ:921977998
E-mail:dgkjly@163.com
網 址:www.128vod.com
地 址:中國廣東省深圳市寶安區西鄉大道新湖路

由于大多數Pierce振蕩器的跨導(gm)繼續向前所未有的低水平下降,所以ABRACON石英晶體Abracon晶振,石英晶振,AB26TRJ晶振,進口32.768KHZ晶振不僅被迫尺寸較小,而且還提供非常低的電鍍負載(CL)和低等效串聯電阻(ESR)參數選項。滿足節能MCU和RF芯片組要求的最低gm_critical要求取決于保持低CL,ESR和C0參數的保證。這需要在晶體上采用新的非平凡電鍍設計,同時降低CL和ESR,并且仍然可以保證低溫度和老化效應的規格。ABRACON新的石英晶體電鍍設計使得下一代Pierce振蕩器能夠在能夠保持振蕩的情況下運行在煙霧上。電子行業有一個非常一致的趨勢,直接取決于時間 - 隨著技術越來越小,功耗降低的需求越來越高。解決石英晶體設計要求,取決于行業需求,已經成為至關重要的。
Abracon的Pierce分析儀系統(PAS)由我們的工程師設計,可幫助您為行業領先的設計做出正確的選擇。 PAS測試驗證了電路中的石英晶振性能,同時測量晶體,晶體振蕩器和印刷電路板寄生效應。測試系統中所有變量的帳戶,并使晶體參數與MCU或RF芯片組中的電路板和振蕩器實現理想的匹配。這對于使用下一代需要最佳gm因子的節能技術尤其重要。
| 晶振參數 | 符號 | AB26TRJ 晶振 | |
| 標準頻率 | fo | 32.768kHz / 25kHz to 200kHz | |
| 存儲溫度 | T_stg | -55℃ ~ + 125℃ | |
| 工作溫度 | T_use | -40℃ ~ + 85℃ | |
| 頻率穩定度 | F_tol | ±20.0×10-6 Max | |
| 激進電平 | DL | 1.0 uW Max | |
| 轉換溫度 | TI | ﹢25℃± 5℃ | |
| 拋物系數 | B | -0.035 ×10-6 /℃2 Max | |
| 耐沖擊性 | S.R | ±5 ×10-6 Max | |
| 負載電容 | CL | 12.5pF | |
| 串聯電阻(ESR) | R1 | 30 KΩ Max | |
| 頻率老化 | F_age | ± 5 ×10-6 /years Max | |



7-1:機械振動的影響
當無源晶體產品上存在任何給定沖擊或受到周期性機械振動時,比如:壓電揚聲器,壓電蜂鳴器,以及喇叭等,輸出頻率和幅度會受到影響。這種現象對通信器材通信質量有影響。盡管Abracon晶振,石英晶振,AB26TRJ晶振,進口32.768KHZ晶振晶體產品設計可最小化這種機械振動的影響,我們推薦事先檢查并按照下列安裝指南進行操作。
7-2:PCB設計指導
(1) 理想情況下,機械蜂鳴器應安裝在一個獨立于圓柱晶振器件的PCB板上。如果您安裝在同一個PCB板上,最好使用余量或切割PCB。當應用于PCB板本身或PCB板體內部時,機械振動程度有所不同。建議遵照內部板體特性。
(2) 在設計時請參考相應的推薦封裝。
(3) 在使用焊料助焊劑時,按JIS標準(JIS C 60068-2-20/IEC 60,068-2-20).來使用。
(4) 請按JIS標準(JIS Z 3282, Pb 含量 1000ppm, 0.1wt% 或更少)來使用無鉛焊料。
.jpg)
Abracon晶振集團將:Abracon晶振,石英晶振,AB26TRJ晶振,進口32.768KHZ晶振不論何時何地盡可能的進行源頭污染預防。為環境目標指標的建立與評審提供框架。通過充分利用或回收等方法實現對自然資源的保持。
Abracon晶振集團將確保其產品及相關設施滿足甚至超出國家的、州立的以及地方環保機構的相關法規規定及其他要求,同時該公司盡可能的參與并協助政府機關和其他官方組織從事的環?;顒?。 在地方對各項設施的管理責任中,確保滿足方針的目標指標,進口晶振同時在各種經營與生產活動中完全遵守并符合現行所有標準規范的要求。
Abracon晶振集團將確保其產品及相關設施滿足甚至超出國家的、州立的以及地方環保機構的相關法規規定及其他要求,同時該公司盡可能的參與并協助政府機關和其他官方組織從事的環?;顒?。 在地方對各項設施的管理責任中,確保滿足方針的目標指標,進口晶振同時在各種經營與生產活動中完全遵守并符合現行所有標準規范的要求。

深圳市帝國科技有限公司SHENZHEN DIGUO TECHONLOGY CO.,LTD
聯系人:譚蘭艾 手 機:86-13826527865
電 話:86-0755-27881119 QQ:921977998
E-mail:dgkjly@163.com
網 址:www.128vod.com
地 址:中國廣東省深圳市寶安區西鄉大道新湖路






業務經理