您好,歡迎光臨帝國科技!
產品分類
PRODUCT
PRODUCT
- 國產晶振
- 聲表面濾波器
- 石英晶體
- 石英晶振
- 貼片晶振
- 陶瓷晶振
- 陶瓷濾波器
- 陶瓷霧化片
- 進口晶振
- MERCURY晶振
- Fujicom晶振
- 日本大真空晶振
- 愛普生晶振
- 西鐵城晶振
- 精工晶振
- 村田陶瓷晶振
- 日本京瓷晶振
- 日本進口NDK晶體
- 大河晶振
- TXC晶振
- 亞陶晶振
- 臺灣泰藝晶體
- 臺灣鴻星晶體
- 美國CTS晶體
- 微孔霧化片
- 加高晶振
- 希華石英晶振
- AKER晶振
- NAKA晶振
- SMI晶振
- NJR晶振
- NKG晶振
- Sunny晶振
- 歐美晶振
- Abracon晶振
- ECS晶振
- Golledge晶振
- IDT晶振
- Jauch晶振
- Pletronics晶振
- Raltron晶振
- SiTime晶振
- Statek晶振
- Greenray晶振
- 康納溫菲爾德晶振
- Ecliptek晶振
- Rakon晶振
- Vectron晶振
- 微晶晶振
- AEK晶振
- AEL晶振
- Cardinal晶振
- Crystek晶振
- Euroquartz晶振
- FOX晶振
- Frequency晶振
- GEYER晶振
- KVG晶振
- ILSI晶振
- MMDCOMP晶振
- MtronPTI晶振
- QANTEK晶振
- QuartzCom晶振
- Quarztechnik晶振
- Suntsu晶振
- Transko晶振
- Wi2Wi晶振
- ACT晶振
- MTI晶振
- Lihom晶振
- Rubyquartz晶振
- Oscilent晶振
- SHINSUNG晶振
- ITTI晶振
- PDI晶振
- ARGO晶振
- IQD晶振
- Microchip晶振
- Silicon晶振
- Fortiming晶振
- CORE晶振
- NIPPON晶振
- NICKC晶振
- QVS晶振
- Bomar晶振
- Bliley晶振
- GED晶振
- FILTRONETICS晶振
- STD晶振
- Q-Tech晶振
- Anderson晶振
- Wenzel晶振
- NEL晶振
- EM晶振
- PETERMANN晶振
- FCD-Tech晶振
- HEC晶振
- FMI晶振
- Macrobizes晶振
- AXTAL晶振
帝國博客
更多>>- 規格型號:34572755
- 頻率:1.8432M-160MHZ
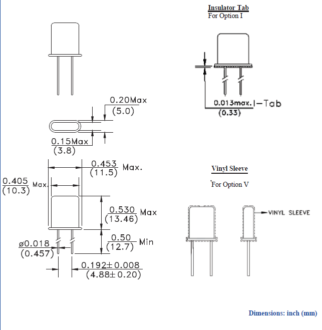
- 尺寸:11.5*5.0mm
- 產品描述:引腳焊接型石英晶體元件.工廠倉庫長時間大量庫存常用頻點,.高精度的頻率和晶振本身更低的等效串聯電阻.常用負載電容,49/U石英晶振,因插件型鏡頭成本更低和更高的批量生產能力.主要應用于電視,機頂盒,LCDM和游戲機家用...
Abracon晶振,石英晶振,AB晶振,HC49/U晶振
Abracon晶振,石英晶振,AB晶振,HC49/U晶振插件石英晶振最適合用于比較低端的電子產品,比如兒童玩具,普通家用電器,即使在汽車電子領域中也能使產品高可靠性的使用.并且可用于安全控制裝置的CPU時鐘信號發生源部分,好比時鐘單片機上的石英晶振,在極端嚴酷的環境條件下,晶振也能正常工作,具有穩定的起振特性,高耐熱性,耐熱循環性和耐振性等的高可靠性能,由于在49/U形晶體諧振器的底部裝了樹脂底座,就可作為產品電氣特性和高可靠性無受損的表面貼片型晶體諧振器使用,滿足無鉛焊接的回流溫度曲線要求.

Abracon公司成立于1992年,總部位于德克薩斯州的斯派伍德,是全球領先的被動和機電同步、同步、電力、連通性和射頻解決方案的制造商。Abracon提供了廣泛的石英定時晶體和振蕩器,MEMS振蕩器,實時時鐘(RTC),藍牙模塊,陶瓷和石英晶體諧振器,鋸濾器和諧振器,功率和射頻電感,變壓器,Abracon晶振,石英晶振,AB晶振,HC49/U晶振電路保護元件和射頻天線和無線充電線圈。


噪音
Abracon晶振,石英晶振,AB晶振,HC49/U晶振在電源或輸入端上施加執行級別(過高)的不相干(外部的)噪音,可能導致會引發功能失常或擊穿的閉門或雜散現象。
電源線路
電源的線路阻抗應盡可能低。
輸出負載
建議將輸出負載安裝在盡可能靠近振蕩器的地方(在20 mm范圍之間)。
石英晶體未用輸入終端的處理
未用針腳可能會引起噪聲響應,從而導致非正常工作。同時,當P通道和N通道都處于打開時,電源功率消耗也會增加;因此,請將未用輸入終端連接到VCC 或GND。
.jpg)
環境政策,在其業務活動的所有領域,從開發、生產和銷售的壓電石英晶體元器件、壓電石英晶體、無源晶體、壓電陶瓷諧振器,集團業務政策促進普遍信任的環境管理活動。
美國Abracon晶振將Abracon晶振,石英晶振,AB晶振,HC49/U晶振:
通過適當控制環境影響的物質,減少能源的使用,以達到節約能源和節約資源的目的。
有效利用資源,防止環境污染,減少和妥善處理廢物,包括再利用和再循環。
通過開展節能活動和減少二氧化碳排放防止全球變暖。

深圳市帝國科技有限公司
SHENZHEN DIGUO TECHONLOGY CO.,LTD
聯系人:譚蘭艾 手 機:86-13826527865
電 話:86-0755-27881119 QQ:921977998
E-mail:dgkjly@163.com
網 址:www.128vod.com
地 址:中國廣東省深圳市寶安區西鄉大道新湖路

Abracon公司成立于1992年,總部位于德克薩斯州的斯派伍德,是全球領先的被動和機電同步、同步、電力、連通性和射頻解決方案的制造商。Abracon提供了廣泛的石英定時晶體和振蕩器,MEMS振蕩器,實時時鐘(RTC),藍牙模塊,陶瓷和石英晶體諧振器,鋸濾器和諧振器,功率和射頻電感,變壓器,Abracon晶振,石英晶振,AB晶振,HC49/U晶振電路保護元件和射頻天線和無線充電線圈。

| 晶振規格 | 單位 | AB晶振頻率范圍 | 石英晶振基本條件 |
| 額定頻率范圍 | f_nom | 1.8432~160.000MHZ | 標準頻率 |
| 儲存溫度 | T_stg | -40°C ~ +85°C | 裸存 |
| 工作溫度 | T_use | -20°C ~ +70°C | 晶振標準溫度 |
| 激勵功率 | DL | 200μW Max. | 推薦:1μW ~ 100μW |
| 頻率公差 | f_— l |
±50 × 10-6 (標準), (±15 × 10-6 ~ ±50 × 10-6 可用) |
+25°C 對于超出標準的規格說明, 請聯系我們以便獲取相關的信息。 |
| 頻率溫度特征 | f_tem | ±30 × 10-6/-20°C ~ +70°C | 超出標準的規格請聯系我們。 |
| 負載電容 | CL | 7pf ~ ∞ | 超出標準說明,請聯系我們。 |
| 串聯電阻(ESR) | R1 | 如下表所示 | -40°C — +85°C, DL = 100μW |
| 頻率老化 | f_age | ±5 × 10-6 / year Max. | +25°C,第一年 |



噪音
Abracon晶振,石英晶振,AB晶振,HC49/U晶振在電源或輸入端上施加執行級別(過高)的不相干(外部的)噪音,可能導致會引發功能失常或擊穿的閉門或雜散現象。
電源線路
電源的線路阻抗應盡可能低。
輸出負載
建議將輸出負載安裝在盡可能靠近振蕩器的地方(在20 mm范圍之間)。
石英晶體未用輸入終端的處理
未用針腳可能會引起噪聲響應,從而導致非正常工作。同時,當P通道和N通道都處于打開時,電源功率消耗也會增加;因此,請將未用輸入終端連接到VCC 或GND。
.jpg)
●符合歐美晶振法律法規的要求
美國Abracon晶振遵守法規和監管要求,從事環保產品的開發。環境政策,在其業務活動的所有領域,從開發、生產和銷售的壓電石英晶體元器件、壓電石英晶體、無源晶體、壓電陶瓷諧振器,集團業務政策促進普遍信任的環境管理活動。
美國Abracon晶振將Abracon晶振,石英晶振,AB晶振,HC49/U晶振:
通過適當控制環境影響的物質,減少能源的使用,以達到節約能源和節約資源的目的。
有效利用資源,防止環境污染,減少和妥善處理廢物,包括再利用和再循環。
通過開展節能活動和減少二氧化碳排放防止全球變暖。

深圳市帝國科技有限公司SHENZHEN DIGUO TECHONLOGY CO.,LTD
聯系人:譚蘭艾 手 機:86-13826527865
電 話:86-0755-27881119 QQ:921977998
E-mail:dgkjly@163.com
網 址:www.128vod.com
地 址:中國廣東省深圳市寶安區西鄉大道新湖路






業務經理